工作时间 周一至周六 8:00-17:00
DL-31电流继电器用途
DL-31系列电流继电器,用于电机、变压器和输电线的过负荷和短路保护线路中,作为起动元件。
DL-31电流继电器结构和原理
1.继电器系电磁式,瞬时动作,磁系统有两个线圈,线圈出头接在底座端子上,用户可以根据需要串并联,因而可使继电器整定变化一倍。
2.继电器名牌的刻度值及额定值对于电流继电器是线圈串联的(以安培为单位)转动刻度盘上的指针、以改变游丝的反作用力矩,从而可以改变继电器的动作值。
3.继电器的动作:电流升至整定值或大于整定值时,继电器就动作,动合触点闭合,动断触点断开。当电流降低到0.8倍整定值时,继电器就返回,动合触点断开,动断触点闭合。

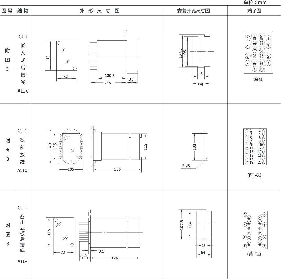
DL-31系列电流继电器内部接线图(背视)
DL-31电流继电器使用和维护
1.继电器使用前,需取去外壳,拔出机器,检查有无在运输中产生的损坏,如动片碰到磁板,游丝各圈相碰,动牌轴上的摩擦等,为此,将继电器的指针整定在第一整定点上,用手将可动系统往磁板方向转动,然后放开,可动系统应当转回到原来位置直到止档,然后进行必要的调整和整定。
2.继电器在重新调整时,必须保证:
1可动系统的轴向活动量在0.15~0.3mm之间。
2动片与磁极间的气隙,应当保证继电器在规定的任何工作情况下,动片和磁板不得相碰。
3具有动合触点和动断触点的继电器,桥形触点不得同时接触一动合静触点和一动断静触点。
4当指针由第一刻度值旋向最终刻度值时,游丝各圈不相碰。
5继电器动作时,桥形触点应当在静触点的中心线上滑动(公差±lmm),动、静触点总气隙不小于2mm。
6静触点和限制片之间的距离应不大于0.3mm。
7在调整继电器的动作值时,最小整定值的调整主要是改变游丝反作用力的大小,最大整定值的调整,主要是改变动片和磁板间的气隙等。
8不宜润滑继电器轴和轴承。
9不允许用砂纸或其它粗造材料清洁触点,宜用锋利的刀刃或清洁的细磨石清洁触点,然后用清洁的、柔软的布片擦干净,避免用手指接触触点。
DL-31电流继电器技术数据

2.按整定值的范围来分:每整定值的动作误差不大于±6%,见表2。
3.继电器刻度极限误差不大于6%。
4.动作值的变差不大于6%

5.对于DL-31、32、33、34电流继电器的返回系数不小于0.8,最大整定电流为200A的不小于0.7。
6.动作时间
6.1在1.1倍动作值时,动作时间不大于0.12s;在2倍动作值,动作时间不大于0.04s。
7.过电流能力:线圈串联,从整定值均匀地上升至表3中所列的最大电流时,继电器不应有使得动合触点不工作的振动。经五次后,继电器仍能满足本技术条件的要求。
8.过电流:继电器当加1.75倍整定值或更高时继电器的动合触点应无抖动地闭合。


9.当无外来的碰撞和振动时,继电器的各整定(第一点除外)位置上的工作电流为0.6整定值时,其动断触点应可靠地闭合电路。
10.在动作和返回电流下:继电器的可动系统不应当停滞在中间位置。
11.当周围空气的相对湿度不大于85%,继电器的电路对外壳(外壳上的非导电金属部分)的绝缘电阻,用500V兆欧表测量应当不小于300MΩ。
12.继电器的导电部分对外壳(外壳上的非导电金属部分)的绝缘,能耐受50Hz交流电压2kV历时1min的试验。
13.触点断开容量:当电压不大于250V及电流不大于2A时,触点的断开功率,在具有电感负荷的直流电路(时间常数不大于5×10-3s)中为50W,在交流电路中为250VA。
14.功率消耗在最小整定值处,继电器的线圈所消耗的功率不超过表4的数据。
15.当周围介质度为+40°C时,继电器在表2和表3所示的长期允许电流,电压下长期工作时,不会有绝缘和其他电气元件的损坏,而线圈的温升不大于65°C。
16.寿命:继电器电寿命500次,机械寿命为5000次。


矿山冶金
化工、化肥、水泥、纺织
能源、环保
机械电子
火电、水电
造纸、制糖、制药
市政基础建设
原料、钢铁
上一篇:DL-25C电流继电器
下一篇:DL-32电流继电器

