来源:本站 作者:001 发布时间: 2023-12-02 10:00 浏览: 21040
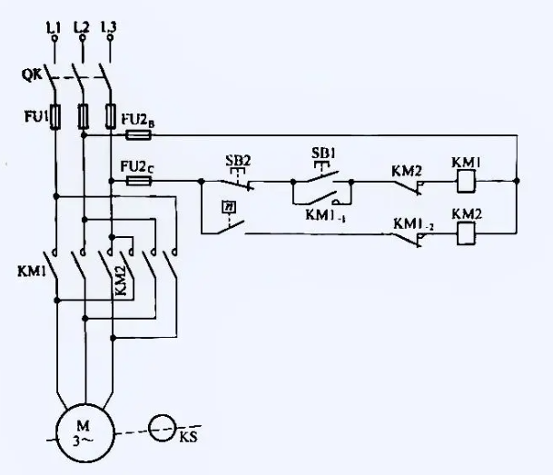
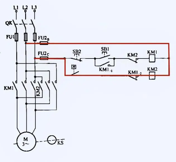
异步电动机速度继电器反接制动控制电路
异步电动机速度继电器反接制动控制电路

今天介绍一下通过速度继电器控制异步电动机反接制动的控制电路。

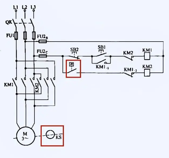
我们看到的KS为速度继电器感应体与其常开触点。

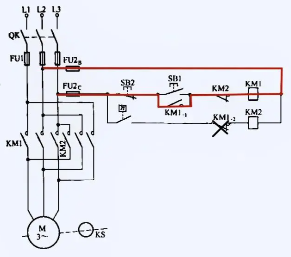
启动电路时,接触器K M1自锁,并断开常闭触点,以切断反转接触器K M2。

电机运行时,当转速超过每分钟120转时,速度继电器常开触点闭合。为反转制动做准备。

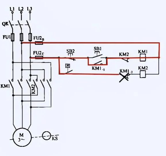
按下停止按钮后,接触器K M2接通,电机反转制动。当转速低于每分钟120转时,速度继电器常开触点断开。
公司介绍:上海上继科技有限公司是一家专业从事电力系统继电保护及智能电网电力自动化产品的研发、设计、生产、销售和服务为一体的高科技公司。拥有资深继电保护专家团队和国内领先的检测仪器及校验设备。同时还引用国内外先进技术,来进行技术创新。本公司的产品广泛用于电力、工矿、铁路、建筑等国家重大工程输配变电系统上,产品远销东南亚及中东地区。产品通过国家继电保护及自动化设备质量监督检验中心检测,获得ISO9001国际质量体系认证。“科技创新,诚信务实”是公司的经营理念,本公司以高超的技术支持和对用户高度负责的售后服务赢得了输配电成套企业的信赖,且树立了良好的信誉。
公司主营:继电器(时间继电器,电压继电器,电流继电器,中间继电器,信号继电器,闪光继电器,冲击继电器,同步检查继电器,接地继电器,差动继电器,重合闸继电器,绝缘监视继电器,双位置继电器,模数化继电器),微机保护装置,电力仪表,智能操控装置
上海上继科技有限公司(专注电力保护继电器生产厂家)销售热线:021-57233089 QQ:1932551438
{以上内容仅供参考,上海上继科技有限公司有最终解释权}
更多继电器精彩文章——深度解析继电器的原理与应用
上一篇:深度解析继电器的原理与应用

