工作时间 周一至周六 8:00-17:00
JL8-22集成电路电流继电器是静态型,不带方向性的、瞬动、交流电流继电器。用于电力系统输电线、电机、过负荷和短路保护中,作为起动元件。
JL8-22集成电路电流继电器用途
JL8-22集成电路电流继电器是静态型,不带方向性的、瞬动、交流电流继电器。用于电力系统输电线、电机、过负荷和短路保护中,作为起动元件。本系列产品是专为替代DL系列继电器而设计的升级产品,精度高、功耗小、动作时间快、返回系数高、整定直观方便,其整定范围为0.1A~ 99.9A,且整定范围在2A~99.9A者不需要加直流辅助电源。
JL8-22集成电路电流继电器型号说明

JL8-22集成电路电流继电器主要技术参数
1.额定值
a) 额定交流电流:0.1A、5A;
b) 频率:50Hz;
c) 额定辅助直流电压:48V、110V、220V。
2.电流整定范围: 0.1A~99.9A (整定范围在2A~99.9A者,不需要辅助电源)
3.功率消耗
a) 在额定辅助直流电压下:
b) 交流回路功耗:不大于1.5VA;
c) 直流回路功耗:不大于4W。
d) 无额定辅助直流电压下,在额定电流时继电器的交流回路功耗不大于1.5VA。
4.直流辅助电压允许变化范围: 220V,110V时0.8~1.1倍额定值,48V时0.9~1.1倍额定值。
5.动作时间
a) 1.2倍整定值时动作时间不大于25ms;
b) 2倍整定值时动作时间不大于20ms。
6.返回时间: 返回时间不大于25ms。
7.返回系数: 返回系数不小于0.85。
8.整定误差: 在基准条件下,电流整定误差不大于5%。
9.触点性能
继电器触点在电压不大于250V,电流不大于2A的直流有感负荷(时间常数为5ms±0.75ms)电路中,断开容量为50W;在电压不大于250V,电流不 大于1A的交流电路中(功率因数为0.4±0.1),断开容量为250VA。
10.绝缘电阻
继电器各电路对外露的非带电金属部分及无电气联系的各回路之间的绝缘电阻应不小于300MΩ。
11.介质强度 继电器各电路对外露的非金属部分之间,以及线圈电路对触点电路之间,应能承受2kV(有效值)、50Hz的交流试验电压,历时1min 试验,应无绝缘击穿或闪络现象。
12.工作条件
a) 使用地点不允许有爆炸危险的介质,周围介质中不含有腐蚀金属和破坏金属的气体及导电介质,不允许充满水蒸气及有严重的霉菌存在;
b) 使用地点不允许有较强的振动和冲击;
c) 使用地点应具有防御雨、雪、风、沙的设备;
d) 使用地点不允许超过1.5mT的外磁感应强度。
13.电气抗干扰继电器应符合GB7261和GB6261《静态型继电器及保护装置的电气抗干扰试验》。
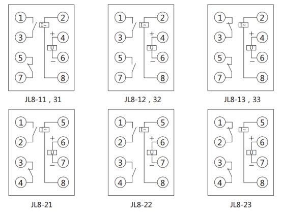
JL8-22集成电路电流继电器内部接线图及外引接线图(正视图)

JL8-22集成电路电流继电器继电器外形尺寸及开孔尺寸


矿山冶金
化工、化肥、水泥、纺织
能源、环保
机械电子
火电、水电
造纸、制糖、制药
市政基础建设
原料、钢铁
上一篇:JL8-21集成电路电流继电器
下一篇:JL8-23集成电路电流继电器

