工作时间 周一至周六 8:00-17:00
DL-12电流继电器为电磁式瞬动过电流继电器,它广泛用于电力系统二次回路继电保护装置线路中,作为过电流启动元件。
DL-12电流继电器概述
DL-12电流继电器,为电磁式瞬动过电流继电器,它广泛用于电力系统二次回路继电保护装置线路中,作为过电流启动元件。
DL-12电流继电器主要技术参数据
动作时间:在1.1倍实测动作值时,动作时间不大于0.12s;在2倍实测动作值时,动作时间不大于0.04s。
触点容量:在电压不超过250V,电流不超过5A,时间常数为5±0.75ms的直流有感负荷电路中,产品输出触点的断开容量为50W。 输出触点在上述规定的负荷条件下,产品能可靠动作及返回5×104次。输出触点长期允许接通电流为5A。
介质强度:产品各导电端子连在一起,对外露的非带电金属部分或外壳之间,能承受2000V(有效值)50Hz的交流电压历时1分钟试验 而无绝缘击穿或闪络现象。
DL-12电流继电器内部接线及外引接线图(背视图)

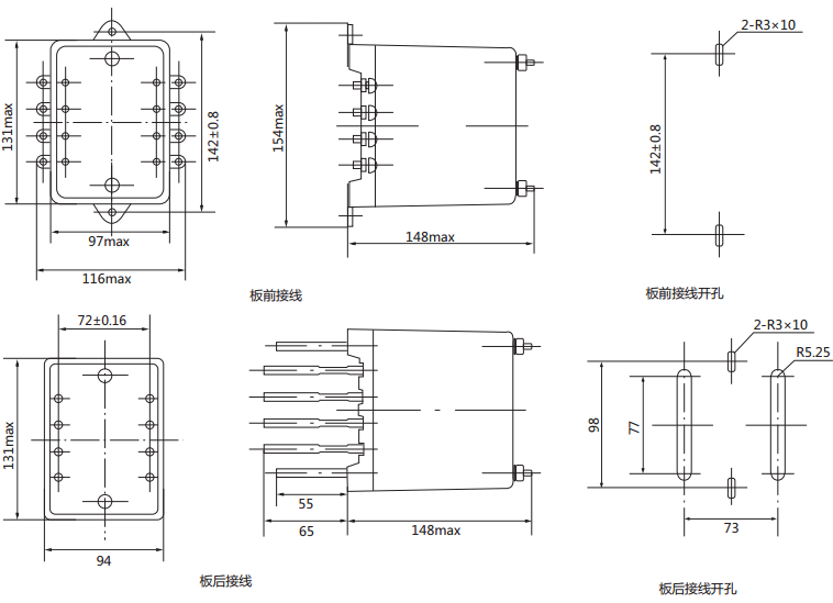
DL-12电流继电器外形尺寸

矿山冶金
化工、化肥、水泥、纺织
能源、环保
机械电子
火电、水电
造纸、制糖、制药
市政基础建设
原料、钢铁
上一篇:LL-14过流继电器
下一篇:DL-13电流继电器

