工作时间 周一至周六 8:00-17:00
JY-3/1电压监视继电器是为了直流电源装置设计的电压监测专用继电器,在主回路电压为180-240V时,可监测主回路的欠电压或过电压状态,同时还可监测副回路在180-360V范围内的欠电压状态。
JY-3/1电压监视继电器应用范围
JY-3/1电压监视继电器是为了直流电源装置设计的电压监测专用继电器,在主回路电压(即控制母线电压)为180-240V时,可监测主
回路的欠电压或过电压状态,同时还可监测副回路(即合闸母线回路和充电机回路)在180-360V范围内的欠电压状态。
JY-3/1电压监视继电器型号

JY-3/1电压监视继电器主要技术参数
●额定值:直流电压额定值(接蓄电池)200V(③为正极;⑨为负极)
●整定范围:主回路(①、⑨端子之间,即控制母线电压)电压整定范围为:180~240V;副回路(⑤、⑦与⑨端子之间,即充电机电压和
合闸母线电压)动作电压整定范围为:180~360V。
●动作一致性:不大于3%。
●返回系数:过电压回路返回系数不小于0.95;欠电压回路返回系数不大于1.05。
●动作时间:过电压回路施加1.1倍整定值时动作时间为1.5s;欠电压回路施加激励量从整定值突变到0.5倍整定值时动作时间为1.5s。
●功率消耗:当电源回路施加额定值时,产品的功率消耗不大于15W(使所有继电器都动作)。
●触点容量:在电压不超过250V,电流不超过5A,时间常数为5±0.75ms的直流有感负荷电路中,产品输出触点的断开容量为50W。输
出触点在上述规定的负荷条件下,产品能可靠动作及返回5×104次。输出触点长期允许接通电流为5A。
JY-3/1电压监视继电器内部接线及外引接线图(背视图)

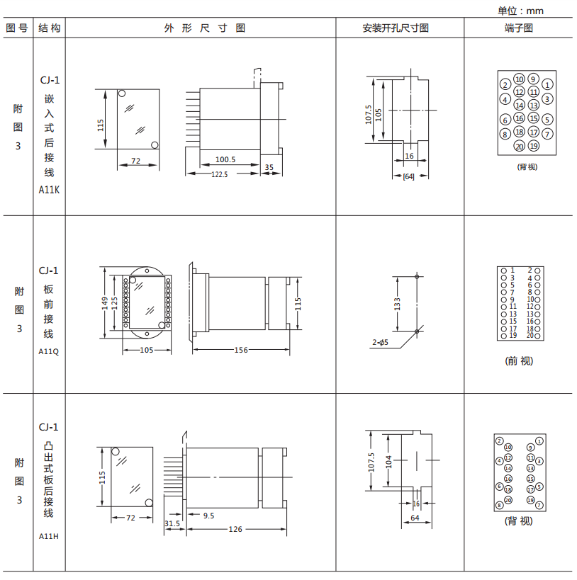
JY-3/1电压监视继电器外形尺寸及开孔尺寸

矿山冶金
化工、化肥、水泥、纺织
能源、环保
机械电子
火电、水电
造纸、制糖、制药
市政基础建设
原料、钢铁
上一篇:JY-1A/1电压继电器
下一篇:JY8-11集成电路电压继电器

