工作时间 周一至周六 8:00-17:00
DJ-122电压继电器为电磁式瞬动电压继电器。广泛用于电力系统二次回路保护线中,作为低电压和过电压保护的启动元件。
DJ-122电压继电器应用范围
DJ-122电压继电器为电磁式瞬动电压继电器。广泛用于电力系统二次回路保护线中,作为低电压和过电压保护的启动元件。
DJ-122电压继电器主要技术参数

动作时间:过电压继电器在1.1倍实测动作值时,动作时间不大于0.12s;低电压继电器在0.5倍实测动作值时,动作时间不大于0.15s;
触点容量:在电压不超过250V,电流不超过5A,时间常数为5 ±0.75ms的直流有感负荷电路中,产品输出触点的断开容量为50W。输
出触点在上述规定的负荷条件下,产品能可靠动作及返回5×104次。输出触点长期允许接通电流为5A。
介质强度:产品各导电端子连在一起,对外露的非带电金属部分或外壳之间,能承受2000V(有效值)50Hz交流电压历时1分钟试验而 无绝缘击穿或闪络现象。
DJ-122电压继电器内部接线及外引接线图(正视图)

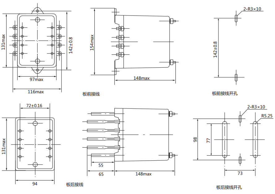
DJ-122电压继电器外形尺寸及开孔尺寸

矿山冶金
化工、化肥、水泥、纺织
能源、环保
机械电子
火电、水电
造纸、制糖、制药
市政基础建设
原料、钢铁
上一篇:DJ-121电压继电器
下一篇:DJ-131电压继电器

