来源:未知 作者:上继电气 发布时间: 2022-11-30 09:59 浏览: 4952
SSJ-41B静态时间继电器-上海上继科技有限公司
SSJ-41B静态时间继电器产品图片
SSJ-41B静态时间继电器用于电力系统二次回路继电保护及自动控制回路中,作为延时装量使被控元件得到所需延时。本继电器为集成电路静态型继电器,精度高、功耗小、动作时间准确、整定直观方便、范围宽,工作电源采用开关电源变换,交直流通用,完全可替代电磁型时间继电器。

SSJ-41B静态时间继电器工作原理
1、本继电器延时精度远高于DS型电磁式时间继电器,能满足电力系统继电保护中缩短保护时间级差的要求,是目前时间继电器理想的更新换代产品。该继电器外形结构和内部接线、工作方式、整定范围与DS系列时间继电器相同,仅整定方式不同,拔码开关的三位数乘以0.01 s或0. ls时间时基即为整定时间,改变整定值无需进行校验。
2、本继电器为动作延时型数字时间继电器,由进口CMOS集成电路构成,继电器由振荡器、分频器和三级脉冲计数器组成,通过BCD码拔码开关整定延时值。
3、本继电器通常不带电,施加额定电压后,继电器内部瞬动继电器动作、同时晶振起振,产生时钟脉冲,经分频后由计数器计脉冲数,当所计脉冲数达到延时整定值时,触发器翻转,驱动出口继电器动作,实现所需延时,由于采用了晶体振荡器并增加时间补偿预置电路,对于极短的延时值也严格符合整定值,具有极高的精度。
4、继电器的双延时回路延时相对独立,并各自驱动一个执行继电器,所以两个执行继电器的动合触点按延时长短,可作为继电器的中止和滑动触点使用,但滑动触点闭合后,其闭合状态一直保持到继电器失电返回为止,如用户需滑动触点闭合一定时间后立即返回,订货时需特别注明,并提出滑动触点的闭合持续时间。
5、继电器原理图见图1。

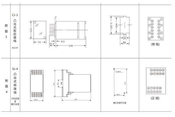
SSJ-41B静态时间继电器开孔尺寸


公司介绍:上海上继科技有限公司是一家专业从事电力系统继电保护及智能电网电力自动化产品的研发、设计、生产、销售和服务为一体的高科技公司。拥有资深继电保护专家团队和国内领先的检测仪器及校验设备。同时还引用国内外先进技术,来进行技术创新。本公司的产品广泛用于电力、工矿、铁路、建筑等国家重大工程输配变电系统上,产品远销东南亚及中东地区。产品通过国家继电保护及自动化设备质量监督检验中心检测,获得ISO9001国际质量体系认证。“科技创新,诚信务实”是公司的经营理念,本公司以高超的技术支持和对用户高度负责的售后服务赢得了输配电成套企业的信赖,且树立了良好的信誉。
公司主营:继电器(时间继电器,电压继电器,电流继电器,中间继电器,信号继电器,闪光继电器,冲击继电器,同步检查继电器,接地继电器,差动继电器,重合闸继电器,绝缘监视继电器,双位置继电器,模数化继电器),微机保护装置,电力仪表,智能操控装置
上海上继科技有限公司(专注电力保护继电器生产厂家)销售热线:021-57233089 QQ:1932551438
{以上内容仅供参考,上海上继科技有限公司有最终解释权}
更多继电器精彩文章——SSJ-32B时间静态继电器

