来源:本站 作者:001 发布时间: 2023-11-09 11:10 浏览: 1862
继电器基础知识:技术篇-MOS FET继电器
设计输入侧电源时的电流值概念
设计输入侧电源时的烦恼
机械式继电器、MOS FET继电器分别具有不同的特长。
基于对MOS FET继电器所具小型及长寿命、静音动作等优势的需求,目前已经出现了所用机械式继电器向MOS FET继电器转化的趋势。
但是,由于机械式继电器与MOS FET继电器在产品结构上完全不同,所以设计时需注意的要领也自然不同。
机械式继电器通过施加线圈电压进行驱动,而MOS FET继电器则是电流驱动。采用不同于机械式继电器的结构,在投入电流时,输入侧的LED将会发光,输出侧的PDA(光电二极管阵列)根据受光量进行发电并施加电压来驱动MOS FET继电器。因此,驱动MOS FET继电器需要向LED投入多少电流成为设计上需要解决的课题。
LED的光量会因各种原因而发生变化。电流值越大,光量也就越强。此外,光量还会因长期使用所致老化而逐渐变弱。因此,要想长期使用,则需对经年老化时的发光量加以考量。此外,如果环境温度较高,驱动MOS FET所需的电压也会变高,所以需要比日常温度下更大的电流。
MOS FET继电器无法投入超出额定值的电流。如果未在设计上正确加入此些要素,则会导致设备故障。
在这种输入侧的电源设计上,应该存在各种令人烦恼的问题。
这是因为使用了LED,所以在设计上需要考量的事项与机械式继电器时存在差异。
要领共有2个。
1. 周围温度环境的影响
2. LED的经年老化
MOS FET继电器相关回顾
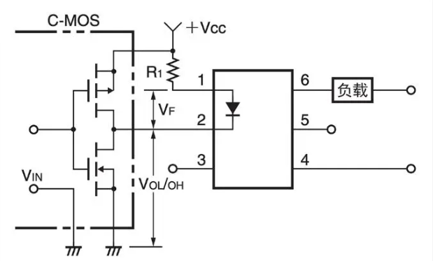
首先,我们来回顾一下MOS FET继电器的结构和动作原理。
MOS FET继电器是一款组合了半导体单元(LED、PDA、MOS FET)、实现了继电器功能的部件。
如上所述,MOS FET继电器通过向输入侧投入电流使LED发光,然后通过PDA将该光变为电压来驱动作为输出单元的MOS FET执行动作。也就是说,需要设计向LED投入适用电流、使PDA可不断受光的输入侧电源。要领共有以下2点。
LED会伴随使用逐渐经年老化。输入侧的电流越高,老化速度越快,因此需设计解决此问题的输入侧电流值。此外,不同的MOS FET继电器商品所搭载的LED种类不同,且经年老化的速度也存在差异。

有些客户出于“只要所选高电流在额定电流范围内就不会产生运行问题”的观念而在设计上选择了高电流值,这种情况下将会存在不足。输入侧的电流基本直接流入LED,从而导致LED老化且发光量下降。结果可能会造成MOS FET继电器无法正常运行,甚至还可能导致LED损坏而使MOS FET继电器无法运行。因此,要想确保正常运行且长期使用,则需在设计上采用合理光量使LED发光,并向输入侧投入合理的电流。

要领② 使用环境温度的考量
LED的老化速度还会因使用的环境温度条件而加速。使用的环境温度越高,老化速度越快,所以应基于这方面的考量设计输入侧的电流值。

要领③ 其他考量事项
还有一点,内容并不仅限于我们的产品,同时也应基于对客户质量的考量而采用确保安全的设计。这一点也希望在输入侧的电流值设计上得到反映。
输入侧电流值的计算公式
基于上述3点的考量,输入侧的电流值设计可能要求达到以下所示条件。
· 动作LED正向电流设计值=IFT×α1×α2(×α3)
· IFT:触发LED 正向电流・・・以商品目录的最大额定值为基准。
· α1:LED的经年变化率・・・根据产品型号(所用LED)而异。
· α2:IFT的环境温度变化・・・基于商品目录的“触发LED正向电流-环境温度”图表。
· α3:安全系数・・・电源的差异及老化、其他。
例如:G3VM-61G3型,假设在最高85℃的环境温度下使用时,
· IFT:0.2mA(最大额定值、25℃)
· α1:基于10万小时后80%(减少20%)的LED预测经年变化数据进行设定⇒ 1÷0.8=1.25
(环境温度升高后将会加速变化,所以在85℃的环境温度下使用时,40℃时的数据所示变化率也会增大,IF条件10mA也显示在较低条件下使用时变化会变小。基于对该点的考量,本次设定为80%。)
· α2:基于触发LED正向电流-环境温度图表所示25℃和85℃环境温度的数值设定变化率
⇒ 0.6mA÷0.2mA=3
动作LED正向电流设计值=0.2mA×1.25×3(×α3)=约0.75mA(×α3)。
公司介绍:上海上继科技有限公司是一家专业从事电力系统继电保护及智能电网电力自动化产品的研发、设计、生产、销售和服务为一体的高科技公司。拥有资深继电保护专家团队和国内领先的检测仪器及校验设备。同时还引用国内外先进技术,来进行技术创新。本公司的产品广泛用于电力、工矿、铁路、建筑等国家重大工程输配变电系统上,产品远销东南亚及中东地区。产品通过国家继电保护及自动化设备质量监督检验中心检测,获得ISO9001国际质量体系认证。“科技创新,诚信务实”是公司的经营理念,本公司以高超的技术支持和对用户高度负责的售后服务赢得了输配电成套企业的信赖,且树立了良好的信誉。
公司主营:继电器(时间继电器,电压继电器,电流继电器,中间继电器,信号继电器,闪光继电器,冲击继电器,同步检查继电器,接地继电器,差动继电器,重合闸继电器,绝缘监视继电器,双位置继电器,模数化继电器),微机保护装置,电力仪表,智能操控装置
上海上继科技有限公司(专注电力保护继电器生产厂家)销售热线:021-57233089 QQ:1932551438
{以上内容仅供参考,上海上继科技有限公司有最终解释权}
更多继电器精彩文章——高压开关柜温度过高的常见原因
上一篇:高压开关柜温度过高的常见原因
下一篇:继电器在保温柜中的应用

