上海上继科技有限公司

021-57233089
您现在的位置:首页>产品中心>继电器>差动及其他继电器系列

差动及其他继电器系列

DH-2A重合闸继电器

所属栏目:差动及其他继电器系列
产品特征:

DH-2A重合闸继电器用于输电线路上实现三相一次重合闸接线中,作为重合闸元件。

产品咨询021-57233089 联系我们
分享到:

DH-2A应用范围


用于输电线路上实现三相一次重合闸接线中,作为重合闸元件。


DH-2A主要技术参数


DH-2A主要技术参数表


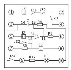
DH-2A内部接线


DH-2A内部接线


DH-2A内部接线外形及开孔尺寸


DH-2A壳体, 见附图14

DH-2A内部接线外形及开孔尺寸

矿山冶金
  • 江苏鹏飞集团
  • 陕西有色冶金矿业集团
化工、化肥、水泥、纺织
  • 山东玉皇化工集团
  • 华新水泥股份有限公司
能源、环保
  • 海润光伏
  • 威孚高科技集团
机械电子
  • 绍兴肯特机械电子有限公司
  • 华通机电股份有限公司
火电、水电
  • 青岛能源热电有限公司
  • 浙富股份
造纸、制糖、制药
  • 金东纸业
  • 金光集团
市政基础建设
  • 银亿公园壹号
  • 苏河融景
原料、钢铁
  • 武汉钢铁集团
  • 鞍山钢铁集团公司
点击交谈
021-57233089
企业店铺