工作时间 周一至周六 8:00-17:00
JJJ-1直流绝线监视继电器用于直流母线电压回路,监视直流母线绝缘水平,当直流母线绝缘下降到一定程度时,该继电器动作发出警告信号。
JJJ-1应用范围
JJJ-1直流绝线监视继电器用于直流母线电压回路,监视直流母线绝缘水平,当直流母线绝缘下降到一定程度时, 该继电器动作发出警告信号。
JJJ-1主要技术参数
直流额定电压: 220V、110V、48V。
继电器的平衡电阻和灵敏元件电阻值

继电器动作值:当母线任何一侧对地绝缘电阻下降到下表规定值时,继电器应可靠动作。

触点容量:当直流电压不大于220V,电流不大于0.2A,直流有感负荷(时间常数为5±0.75ms) ,触点断开容量为20W.无感负荷40W。
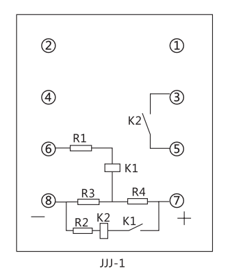
JJJ-1内部接线及外引接线图

JJJ-1外形及开孔尺寸

矿山冶金
化工、化肥、水泥、纺织
能源、环保
机械电子
火电、水电
造纸、制糖、制药
市政基础建设
原料、钢铁
上一篇:DH-3重合闻装置
下一篇:JJJ-4B直流绝缘监视继电器

