工作时间 周一至周六 8:00-17:00
ZJJ-1A直流绝缘监视继电器是监视直流母线绝缘情況的一种继电器。适用于监视低压直流母线绝缘情况。当母线对地绝线降低到一定值时,继电器可预发警告信号。
ZJJ-1A应用范围
ZJJ-1A直流绝缘监视继电器是监视直流母线绝缘情況的一种继电器。适用于监视低压直流母线绝缘情况。当母线对地绝线降低到一定值时,继电器可预发警告信号。
ZJJ-1A主要技术参数
电压等级和电流值: 220V15mA、220V2.2mA、110V3.1mA、48V6.3mA。
继电器的平衡电阻和灵敏元件电阻值

继电器动作值:当母线任何一侧对地绝缘电阻下降到下表规定值时.继电器应可靠动作。

功率消耗:不大于4.5W。
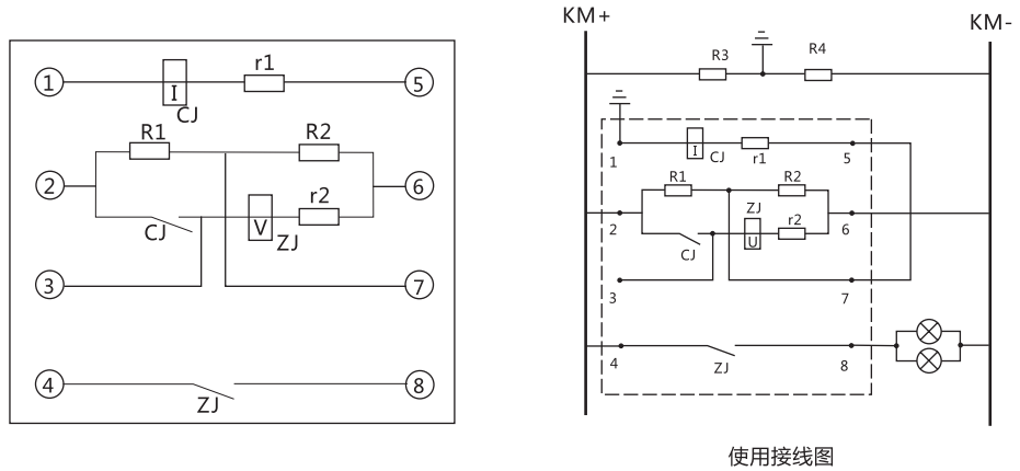
ZJJ-1A内部接线及外引接线图

ZJJ-1A外形及开孔尺寸

矿山冶金
化工、化肥、水泥、纺织
能源、环保
机械电子
火电、水电
造纸、制糖、制药
市政基础建设
原料、钢铁
上一篇:LG-11功率方向继电器
下一篇:ZJJ-2C直流绝缘监视继电器

