工作时间 周一至周六 8:00-17:00
ZJX-3A型剪断销信号装置用于水轮发电机组自动化系统中,当水轮机某个剪断销剪断时,其中信号器销体及导线同时被剪断,本装置动作,使信号系统发出剪断信号。
ZJX-3A用途
ZJX-3A型剪断销信号装置用于水轮发电机组自动化系统中,当水轮机某个剪断销剪断时,其中信号器销体及导线同时被剪断,本装置动作,使信号系统发出剪断信号。
ZJX-3A工作原理

装置由变压器、整流桥、小型密封电磁继电器、电容器、电阻器、发光二极管组成。
当端子①、②接入交流220V、50Hz电源时,电磁继电器K1动作,由K1给出回路运行正常信号,电磁继电器K2被所有串联起来的剪断销所短接, K2不动。当与端子③、④联接的所有水率合机的剪断销有任何一个(或多个)折断时,则电磁继电器K2动作,从而发出控制信号。
当交流母线或厂用交流电停电时,发光二极管发出指示信号。
ZJX-3A技术要求
1、额定电压:a、额定交流电压220V、50Hz ; b、额定直流电压220V、110V、48V。
2、动作值装置的动作电压不超过85%额定电压。
3、动作时间:在额定电压下,装置动作时间不大于30ms。
4、功率消耗:在额定电压下,功率消耗不大于5VA。
5、线圈温升:当周围环境为40°C时,装置线圈应能长期承受1.1信额定电压,其温升不超过65°C。
6、触点断开容量:在直流有感(t=5ms)回路, U≤220V, I≤0.4A为30W。
7、介质强度:装管所有电路对外壳之间及非带电金属部分之间的绝线应能耐受2kV(有效值) , 50Hz的交流试验电压,历时1min,而无绝缘击穿或闪络现象。
8、寿命:机械寿命为104次;电寿命为103次。
ZJX-3A调试方法
1、 使用前应对装置进行外观检査。
2、将端子①、②接交流220V、50Hz电源,端子③、④短接,电磁继电器K1动作,K2不动。断开③、④端子,电磁继电器K2动作,检査动作电压,其值应不大于85%额定电压。
3、将端子⑨、⑩接直流电源,发光二极管不应显示,断开交流电源时,发光二极管发光指示。
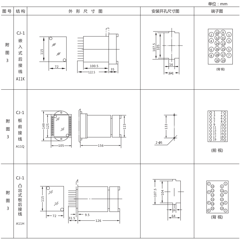
ZJX-3A外形结构及安装开孔尺寸

矿山冶金
化工、化肥、水泥、纺织
能源、环保
机械电子
火电、水电
造纸、制糖、制药
市政基础建设
原料、钢铁
上一篇:ZJJ-2C直流绝缘监视继电器
下一篇:BG-11B功率继电器

