工作时间 周一至周六 8:00-17:00
LG-12功率方向继电器 ,应用在方向保护中作为功率方向的判别元件,其中LG-11型用于相间短路保护, LG-12型用于接地短路保护 。
LG-12功率方向继电器用途
LG-12功率方向继电器 ,应用在方向保护中作为功率方向的判别元件,其中LG-11型用于相间短路保护, LG-12型用于接地短路保护 。
LG-12功率方向继电器结构和原理
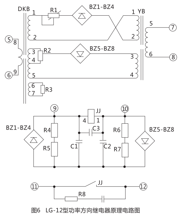
LG-12功率方向继电器采用插件结构,同一机芯可使用于一般嵌入式A32K,继电器的原理电路图见图5 .图6 ;外形及安装尺寸见图7。


继电器采用整流型原理构成,比较电流电压综合量的绝对值,其动作方式为:
对于LG-11型为丨IZ+K1U丨>丨IZ-K1U丨 (1)
对于LG-12型为丨IoZ+KoUo丨>丨IoZ- KoUo丨 (2)

K1为对于LG-11B中电压回路变换系数, K2为LG-12B中电压回路变换系数。

式( 3 )中α为DKB次级电压对初级电流的转移角度,式(4)中β为电压转换器的转移角度,由于在LG-11B型中采用了谐振回路, 当电压谐振时,角90°,而在LG-12B中电压回路采用变压器 ,故无角度变化,即K0为变压器的变化。
式( 1 )式( 2 )中前面一项称为工作电压,后面一项称为制动电压,当工作电压大于制动电压时,继电器动作,当制动电压大于工作电压时继电器制动,当工作电压等于制动电压时称为边界条件。

由图1图2可见动作边界为通过原点垂直于IZ(IoZ)的一条直线,在边界上满足
对于LG-11丨丨IZ+K1U丨>丨IZ-K1U丨丨 (6)
对于LG-12 丨丨IOZ+KOU0丨>丨IOZ-KOU0丨丨 (7)
继电器的电流回路由电抗变压器DKB在初级绕组上流过电流,在二个次级绕组上得到的电压分别加到工作回路与制动回路上。在另一个次级绕组上并联有电阻,改变电阻的数值可以改变转移阻抗角a,对于LG-11型经切换片HP并联R3或R4可以改变继电器的灵敏度为-30°或-45°,对于LG-12型通过并联R3使灵敏角达到+70°。
LG-11型的电压回路采用谐振回路,其主要作用有二:其一是经谐振回路在电感上取得电压使电压移相90°,其二是当在保护安装处正方向三相故障时,依靠谐振回路记忆作用,保证继电器可靠动作从而消除了电压死区。由于DKB的转移角调整在60°或45°,而电压回路转移触度为90°,因而得到继电器的灵敏角为-30°或-45°。

电压回路的谐振调谐可以用改变绕组的匝数来达到,YB谐振绕组有6、7、8三个抽头可供进择,还可以加減9、10小绕组来达到谐振。
LG-11型比较回路采用环流法比较电路,工作电压和制动电压分别整流后经C2、C3滤波并经R5、R6、R7、R8比较后推动极化继
电器JJ动作,而LG-12型采用均压法比较电路,工作电压和制动电压分别整流后在R4、R5及R6、R7上得到电压经C1、C2滤波后比较电压大小推动极化继电器动作 。
继电器的潜动调整通过调整R1及R2来进行,用R2来调节电流平衡,用R1来调节电压平衡,经反复调整可以达到电流电压均无潜动。
极化继电器的触点接有0.22ч电容及510Ω电阻的消弧回路, 以増加触点的断弧能力 。
LG-12功率方向继电器技术数据
额定数据:
额定电流:5A或1A。
额定电压:100V。
额定频率:50Hz。
继电器的灵敏角:LG-11型, -30°或-45°, LG-12型+70°;灵敏角的误差±5°。
在灵敏角小通入额定电流时继电器的动作电压不大于2V。
返回系数:继电器的返回电压和动作电压之比不小于0.45。
动作时间:对于LG-11型,在灵敏角下,电压由额定突然降4倍最小动作电压,电流同时由0升至额定电流时,动作时间不大于30mS;对于LG-12型,在灵敏角下,同时突然加入额定电流和4倍最小动作电压时,动作时间不大于40ms。
记忆时间,对于LG-11型,当模拟保护出口处短路在灵敏角下,突然增加额定电流至10倍额定电流,电压自100V同时突然降到0的情况下,继电器应可靠动作,其极化继电器动作保持时间不小于50ms。
功率消耗:电流回路不大于6VA,电压回路不大于20VA。
继电器可以长期耐受1.1倍的额定电压及额定电流。
当电压不大于220V电流不大于lA时,触点能断开直流有感负荷(时间常数不大于5x10-3s)20W。
继电器电路与外壳间的绝缘电阻在温度+ 40°C及相对湿度为85%时不小于10M0。
继电器的绝线强度应耐受交流50Hz电压2kV历时1Min的耐压试验而无击穿或闪络现象。
LG-12功率方向继电器使用和维护
继电器在使用前应首先检査运输中是否发生损坏,先进行机械检査各螺钉是否紧固,各焊点是否牢固可靠,然后检査极化继电器,将极化继电器(2)-(3)短接, (1)和(4)加电流, (4)为正极性,要求动作电流不大于lmA,返回系数不小于0.5 ,触点间隙不小于0.2mm。如发现不符合要求时,可以调整左止挡螺钉,以改变动作电流值,调整右止挡螺钉,以改变返回电流值。如调整右止挡螺钉达不到要求时,允许移动瓷座位置来调整,直到满足要求为止。
调好极化继电器后将极化继电器插上,进行电气性能检査,先进行潜动检査,电压回路经200短路,电流回路通入额定电流,测量极化继电器线圈上,即(9)(10)端子上的电压调整R1使电压为零,然后在电压回路加电压100V,电流回路开路测量极化继电器线圈电压,调整R2使为零,反复调整电压电流潜动,使级化继电器线圈电压为零,然后在上述条件下突然加入及切除10倍额定电流或100V电压,继电器触点不应有鸟啄现象,如发现在切除大电流或100V电压时触点有鸟啄现象,可更换比较回路电阻或电容使制动回路电容放电时间常数不小于工作回路电容放电时间常数。更换后应重新进行潜动调整,潜动调整完毕后,将电位器制动螺母锁紧,然后再检査继电器的灵敏角和灵敏度及返回系数,应满足技术要求。对于LG-11型发现灵敏角超差,应检査电压谐振回路是否失调,加电压100V时应满足UC-UL=10-15V可通过改变电感抽头及增減一小绕组来达到,同时进行记忆特性试验,当模拟出口处短路,电压自100V突然降到零,电流不大于0.2倍额定电流的情况下继电器应可靠动作,然后再作瞬变检査,在最大灵敏角反向处突然加10倍额定电流同时100V电压突然降到零时继电器应无鸟啄现象。
矿山冶金
化工、化肥、水泥、纺织
能源、环保
机械电子
火电、水电
造纸、制糖、制药
市政基础建设
原料、钢铁
上一篇:JJJ-4A直流绝缘监视继电器
下一篇:ZJJ-2A直流绝缘监视继电器

