工作时间 周一至周六 8:00-17:00
DX-17/5信号继电器产品使用于电力系统二次回路的继电保护线路中作为指示信号用,为一次掉牌。
DX-17/5信号继电器应用范围
DX-17/5信号继电器产品使用于电力系统二次回路的继电保护线路中作为指示信号用,为一次掉牌。
DX-17/5信号继电器型号

DX-17/5信号继电器主要技术数据
●额定电压: DC 220V、110V、48V、24V、12V。
●额定电流:0.01A,0.015A、0.02A、0.025A、0.04A、0.05A、0.075A、0.08A、0.1A、0.15A、0.2A、0.25A、0.5A、 0.75A、lA、2A、4A。
●动作值:电压型不大于70%额定值;电流型不大于90%额定值。
●返回值:不小于额定值的2%。
●功率消耗:电压型不大于3W;电流型不大于0.3W。
●触点容量:产品的触点应能断开电压不超过250V及电流不超过0.5A,容量为30W的有感负荷(时间常数为5±0.75ms)的直流电路,或电压不超过250V及电流不超过lA,容量为100VA的交流电路,功率因数为0.4±0.1。
●介质强度:继电器各导电电路连在一起对外露的非带电金属部分及外壳之间,线圈电路对触点电路之间,应能承受2000V(有效 值)、50Hz的交流试验电压历时lmin试验,而无击穿或闪络现象。
DX-17/5信号继电器内部接线及外引接线图(正视图)

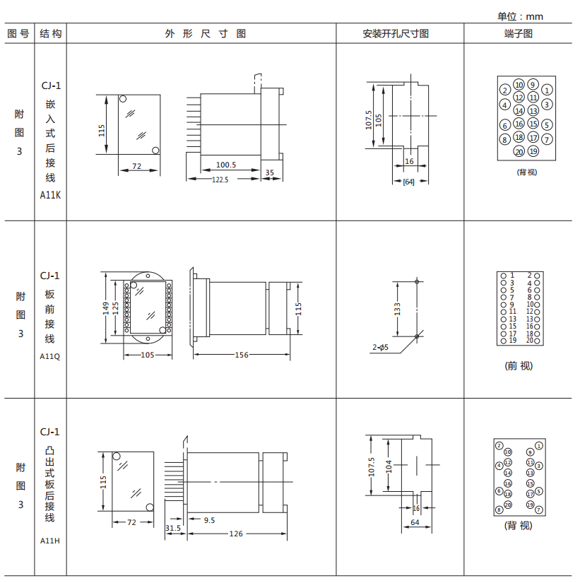
DX-17/5信号继电器外形及开孔尺寸


矿山冶金
化工、化肥、水泥、纺织
能源、环保
机械电子
火电、水电
造纸、制糖、制药
市政基础建设
原料、钢铁
上一篇:DX-17/4信号继电器
下一篇:DX-17/6信号继电器

