工作时间 周一至周六 8:00-17:00
DX-32B信号继电器包括DX-31B、DX-32A、DX-32B,适用于直流操作的保护线路中,作为动作指示器。DX-31BJ、DX-32AJ、DX-32BJ适用于交流操作的保护线路中,作为动作指示器。
DX-32B信号继电器用途
DX-32B信号继电器包括DX-31B、DX-32A、DX-32B,适用于直流操作的保护线路中,作为动作指示器。DX-31BJ、DX-32AJ、DX-32BJ适用于交流操作的保护线路中,作为动作指示器。
DX-32B信号继电器结构和原理
本继电器为拍合型电磁式信号继电器,在一个导磁体上有吸引线圈(电流或电压)在导磁体上装一个活动的动板,动板上的绝缘板顶动两组动合触点。
DX-31B型在动板上并装有限制片,是触点机械闭锁的擒纵机械,在铭牌上装有信号指示器。DX-32A型多一个保持线圈作为电压闭锁机械在铭牌上装有信号灯。
DX-32B型多一组动合触点,保持线圈与信号灯是并联的,在信号灯烧毁时保持线圈仍可正常工作。
DX-31B型信号继电器的吸引线圈通电时产生电磁吸力,将动板吸合。此时触点处于工作状态(动合触点闭合)同时限制片将信号
牌纵放而显示动作,当吸引线圈断时,由于限制片的作用,触点与指示器仍处于工作状态。当按动指示器后,动板回到起始位置,限制片将指示器擒住,触点回到原位。
DX-32A,DX-32B型信号继电器的吸引线圈通电时,产生电磁吸力,将动板吸合,此时触点处于工作状态,其中一组触点将保持线圈通电,指示灯亮,显示动作,当吸引线圈断电时,继电器受保持线圈的电磁吸力,仍保持在工作状态,当保持线圈断电时,继电器则返回到起始位置。 继电器有嵌入和突出两种安装方式,请在订货时注明。
DX-32B信号继电器技术数据
1、 额定值 继电器工作绕组额定值为220、110、48、24、12V或0.01、0.015、0.02、0.025、0.04、0.05、0.075、0.08、0.1、0.15、 0.2、0.25、0.5、0.75、1、2、4A。 DX-32A/B保持回路额定值为220、110、48V。
2、动作值
动作电压不大于70%额定电压;动作电流不大于90%额定电流。
3、保持值:不大于80%额定保持电压。
4、 返回值:不小于5%额定值。
5、功率消耗:电流绕组不大于0.3W,电压绕组不大于3W。
a.DX-32A电压保持回路220V不大于10W,110V不大于5W,48V不大于3W。
b.DX-32B电压保持回路220V不大于20W,110V不大于10W,48V不大于4W。
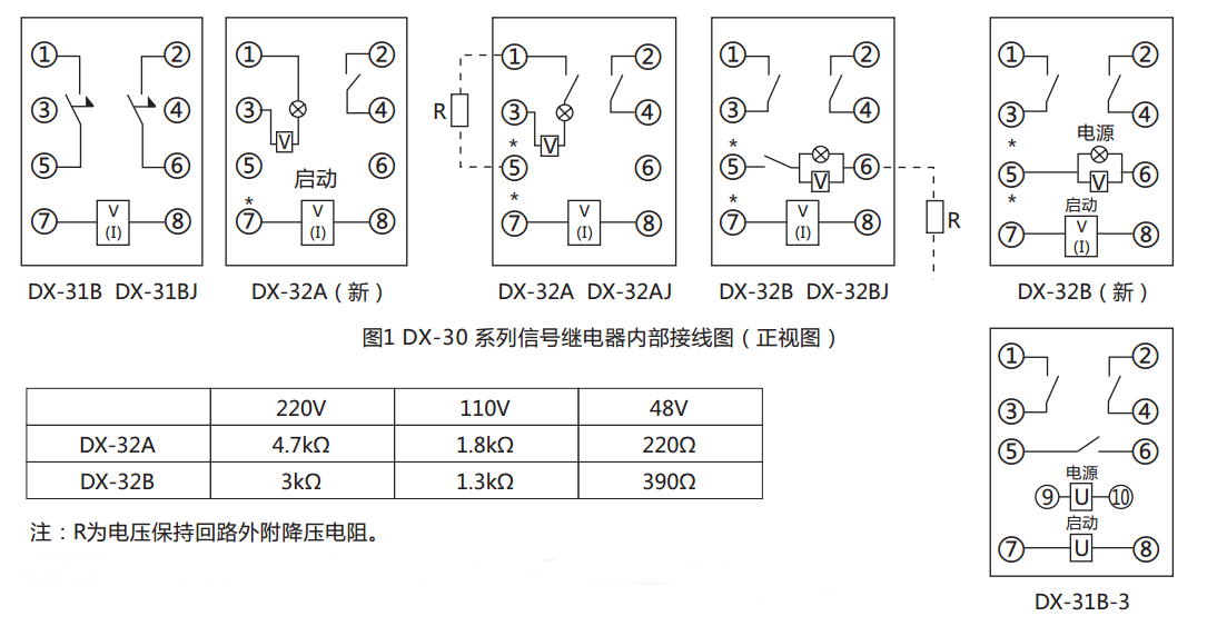
6、线圈电阻值见表1。
7、触点容量 A.在电压不超过250V(时间常数为5±0.75ms),电流不大于0.5A的直流电路中,能断开30W。 B.在电压不超过250V(cosφ=0.4±0.1),电流不大于1V的交流电路中,能断开100VA。
8、介质强度 继电器各导电电路连在一起对外露的非带金属部分及外壳之间,工作绕组对不接保持绕组的触点电路之间,应能承受2kV(有效值),50Hz的交流试验电压历时1min试验,而无绝缘击穿或闪络现象。
9、寿命:电寿命1000次,机械寿命5000次。
10、 热稳定性:电压长期通以110%额定电压,电流绕组长期通以额定电流,周围环境温度为40℃时,绕组温升不大于65℃。
11、 重量:0.40kg。
12、内部接线见图1。

DX-32B信号继电器内部接线图(正视图)

DX-32B信号继电器外形结构及安装开孔尺寸

矿山冶金
化工、化肥、水泥、纺织
能源、环保
机械电子
火电、水电
造纸、制糖、制药
市政基础建设
原料、钢铁
上一篇:DX-32A信号继电器
下一篇:DX-112信号继电器

