工作时间 周一至周六 8:00-17:00
JX-4B闪光继电器概述
JX-4B闪光继电器用于信号回路。电源接通后,可以使受控的灯光发出闪光信号。
JX-4B闪光继电器型号

JX-4B闪光继电器主要技术参数
·额定电压:直流220V、110V、48V、24V;交流220V, 50HZ. ·动作值:不大于60%额定电压;最小动作电流8mA。
·闪光频率: 1±0. 1次/分钟、60+5次/分钟、120±10次/分钟。 ·负裁能力:最大负裁电流2A。
·功率消耗:不大于1W。
·介质强度:帯电端子对外売耐压2000V。
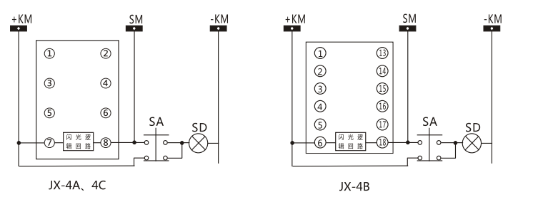
JX-4B闪光继电器内部接线及外引接线图

JX-4B闪光继电器外形尺寸及开孔尺寸
JX-4A采用HK-1売体, 見335页附图1。
JX-4B采用JK-1売体, 见335员附图2。
JX-4C采用CJ-1売体, 见336员附图3。


矿山冶金
化工、化肥、水泥、纺织
能源、环保
机械电子
火电、水电
造纸、制糖、制药
市政基础建设
原料、钢铁
上一篇:JSG-D型静态闪光继电器
下一篇:JX-4C闪光继电器

