工作时间 周一至周六 8:00-17:00
DX-4A信号继电器应用范围
DX-4A信号继电器使用于电力系统二次回路的继电保护线路中,作为动作指示信号用。
DX-4A信号继电器型号含义

DX-4A信号继电器主要技术数据
●工作绕组额定值:DC 6V、12V、24V、48V、110V、220V、0.0lA、0.015A、0.02A、0.025A、0.03A、0.04A、 0.05A、
0.075A、0.08A、0.1A、0.15A、0.2A、0.25A、0.5A、0.75A、lA、2A、4A、0.06A。
●复归绕组额定值:6V、12V、24V、48V、110V、220V。
●动作值:动作电压不大于70%额定值;动作电流不大于90%额定值。
●复归电压:不大于70%。
●返回值:不小于2%额定值。
●功率消耗:电压型不大于2W;电流型不大于0.2W。
●触点容量:保持触点在220V,电流不超过lA的直流有感电路中(时间常数为5±0.75ms),分断容量为50W,瞬时触点为30W,在220V电流不超过lA的交流电路中分断容量为200VA。
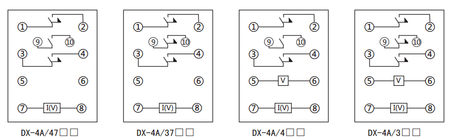
DX-4A信号继电器内部接线及外引接线图

DX-4A信号继电器外形尺寸及开孔尺寸

矿山冶金
化工、化肥、水泥、纺织
能源、环保
机械电子
火电、水电
造纸、制糖、制药
市政基础建设
原料、钢铁
上一篇:DX-3闪光信号继电器
下一篇:DX-8信号继电器

