上海上继科技有限公司

021-57233089
您现在的位置:首页>产品中心>继电器>时间继电器系列

时间继电器系列

SS-61时间继电器

所属栏目:时间继电器系列
产品特征:

SS-61时间继电器主要用于各种控制和继电保护电路中 ,达到自动延日转换电路的目的。

产品咨询021-57233089 联系我们
分享到:

SS-61时间继电器应用范围


SS-61时间继电器主要用于各种控制和继电保护电路中 ,达到自动延时转换电路的目的。


SS-61时间继电器主要技术参数


·额定电压:AC50Hz,220V、  127V、  110V、  100V;DC220V、  110V、48V、24V;

·延时整定范围: 0.1-999.9s。

·延时级差: 0.1s。

·触点形式:二副延时转换。

·动作值: SS-61动作电压不大于85%的额定电压(交流动作) ; SS-62动作电压不大于70%的额定电压(直流动作)

·返回值:返回电压不小于5%额定电压。

·整定误差:不大于±1%。

·动作延时一致性:不大于整定值的1%。

·功率消耗: SS-61不大于4VA; SS-62不大于6.6W。

·触点容量:在电压不超过250V,电流不超过5A,时间常数为5±0.75ms的直流有感负荷电路中,产品输出触点的断开容量为50W。输出触点在上述规定的负荷条件下,产品能可靠动作及返回5x104次。输出触点长期允许接通电流为5A。

·介质强度:产品各导电端子连在一起 ,对外露的非带电金属部分或外壳之间,能承受2000V(有效值)50Hz的交流电压历时1分钟试验而无绝缘击穿或闪络现象。


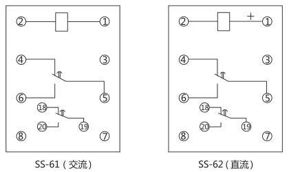
SS-61时间继电器内部接线及外引接线图(背视图)


SS-61时间继电器内部接线及外引接线图(背视图)图片


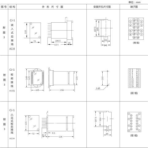
SS-61时间继电器外形及开孔尺寸


SS-61时间继电器外形及开孔尺寸图片

矿山冶金
  • 江苏鹏飞集团
  • 陕西有色冶金矿业集团
化工、化肥、水泥、纺织
  • 山东玉皇化工集团
  • 华新水泥股份有限公司
能源、环保
  • 海润光伏
  • 威孚高科技集团
机械电子
  • 绍兴肯特机械电子有限公司
  • 华通机电股份有限公司
火电、水电
  • 青岛能源热电有限公司
  • 浙富股份
造纸、制糖、制药
  • 金东纸业
  • 金光集团
市政基础建设
  • 银亿公园壹号
  • 苏河融景
原料、钢铁
  • 武汉钢铁集团
  • 鞍山钢铁集团公司
点击交谈
021-57233089
企业店铺