工作时间 周一至周六 8:00-17:00
ZC-23冲击继电器,广泛用于直流操作的继电器保护及自动控制回路中,作为集中控制信号元件。
ZC-23冲击继电器应用范围
ZC-23冲击继电器(以下简称继电器),广泛用于直流操作的继电器保护及自动控制回路中,作为集中控制信号元件。
ZC-23冲击继电器主要技术参数
·额定电压:DC220V、110V、48V、24V。
·最小冲击动作电流: ZC-23型不大于0.16A, ZC-23A型不大于0.015A。
·最大稳定电流: ZC-23型为3.2A, ZC-23A型为1.5A。
·功率消耗:在变流器BL一次绕组通最大稳定电流时.其功率消耗不大于7W;出口继电器ZJ在额定电压下,动作状态时功耗不大于10W。
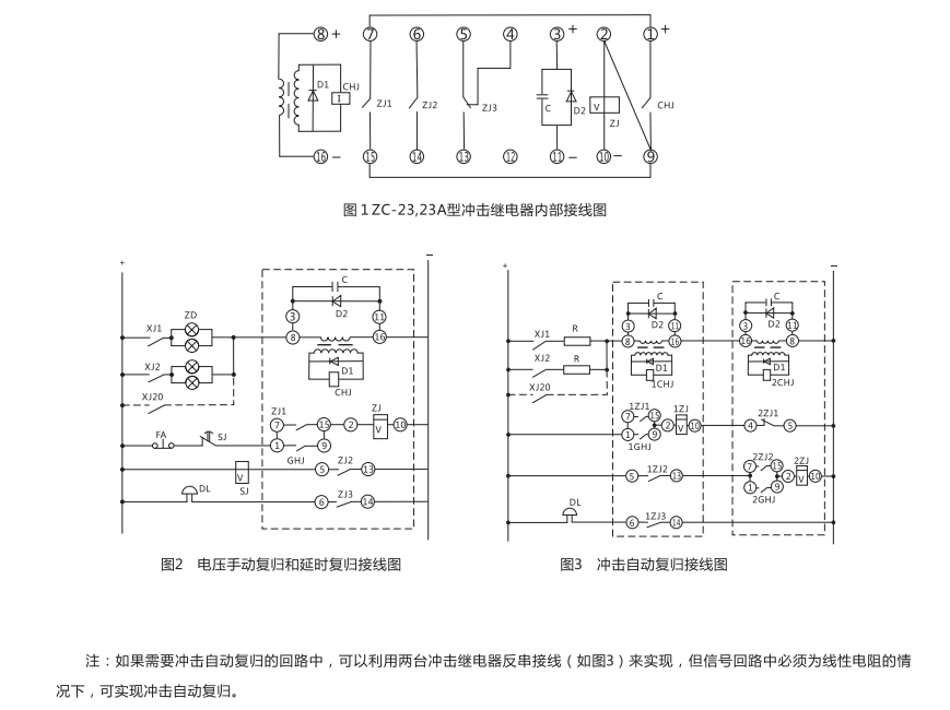
ZC-23型冲击继电器内部接线图及外引接线图

ZC-23冲击继电器外形及开孔尺寸

矿山冶金
化工、化肥、水泥、纺织
能源、环保
机械电子
火电、水电
造纸、制糖、制药
市政基础建设
原料、钢铁
上一篇:JSW-21静态双位置继电器
下一篇:ZJC-2静态冲击继电器

