工作时间 周一至周六 8:00-17:00
DD-1/40接地继电器为瞬时动作的过电流继电器,用作小电流接地电力系统高电压三相交流发电机和电动机的接地零序过电流保护。
DD-1/40接地继电器产品应用范围
DD-1/40接地继电器,为瞬时动作的过电流继电器,用作小电流接地电力系统高电压三相交流发电机和电动机的接地零序过电流保护。继电器线圈接零序电流互感器(电缆式、母线式、或者有三个相电流互感器组成的零序电流滤过器)。当被保护电机的零点经阻抗接地时继电器接入变流器的差动回路。当继电器接入由三个电流互感器组成零序电流滤过器时,还应接入闭锁继电器,以防止由于外部穿越性短路不稳定电流可能引起的误动作。
DD-1/40接地继电器主要参数
继电器动作电流的整定范围和线圈阻抗值。
型号 | 整定范围 | 线圈串联 | 线圈并联 | ||
(mA) | 动作电流(mA) | 阻抗(o) | 动作电流(mA) | 阻抗(o) | |
DD-1/40 | 10~40 | 10~20 | 100 | 20~40 | 25 |
DD-1/50 | 12.5~50 | 12.5-25 | 80 | 25~50 | 20 |
DD-1/60 | 15~60 | 15-30 | 60 | 30~60 | 15 |
各种规格继电器,在线圈串联或并联时,其阻抗角为+35°。
·额定电流: 100mA、频率50Hz。
·整定刻度误差:不大于±6%。
·动作值变差:不大于6%。
·返回系数:不小于0.5。
·功率消耗:在最小整定电流时不大于0.015VA。
·动作时间:在1.2倍整定电流时,动作时间不大于0.3s; 3倍整定电流时,动作时间不大于0.1s。
·触点容量:电压不大于250V,电流不大于0.5A时,继电器触点断开容量在直流有感负荷电路中间常数为5±0.75ms)为20W,在交流回路中为100VA。
·介质强度:继电器电路与外壳金属之间的绝缘应耐受交流50Hz,电压2000V历时1min的试验而无击穿或闪络现象。
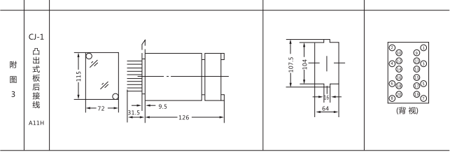
DD-1/40接地继电器外引接线图

DD-1/40接地继电器外形及开孔尺寸


矿山冶金
化工、化肥、水泥、纺织
能源、环保
机械电子
火电、水电
造纸、制糖、制药
市政基础建设
原料、钢铁
上一篇:DD-11/40接地继电器
下一篇:DLS-12B双位置继电器

