工作时间 周一至周六 8:00-17:00
DLS-20双位置继电器用于直接操作的各种保护和自动控制中,以实现机械闭锁,并有位置指示。
DLS-20双位置继电器概述
DLS-20双位置继电器用于直接操作的各种保护和自动控制中,以实现机械闭锁,并有位置指示。
DLS-20双位置继电器结构特点
该继电器采用JK-11K、 H、 Q型标准化壳体,具有嵌入式板后接线(JK-11K)、凸出式板后接线和凸出式板前接线(JK-1Q)三种结构形式,
DLS-20双位置继电器参数
DLS-20双位置继电器主要技术数据见表 。
额定电压 | 额定电流 | 动作値 | 功率消耗(W) | 角更点断开容量 | ||
Un(V) | In(A) | 电压线圈 | 电流线圈 | 电压线圈 | 电流线圈 | |
220 | 0.25,1,2,4 | ≤70%Un | ≤90%In | 12 | 11 | DC:50W |
110 | 0.25,2,4,6 | AC:250VA | ||||
48 | 0.25,2,4,6 | |||||
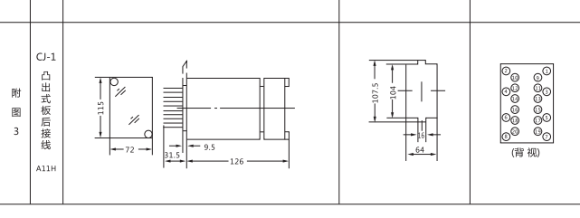
DLS-20双位置继电器背后端子接线图

DLS-20双位置继电器外形及开孔尺寸


矿山冶金
化工、化肥、水泥、纺织
能源、环保
机械电子
火电、水电
造纸、制糖、制药
市政基础建设
原料、钢铁
上一篇:DLS-5/1双位置继电器
下一篇:DLS-35A双位置继电器

