工作时间 周一至周六 8:00-17:00
ZZ-S-232分闸、合闸、电源监视综合控制装置可连续监视断路器中的直流电源及整个跳闸回路。当直流电源消失、跳闸线圈及引线发生故障,继电器经0.3秒延时返回并通过它的触点发出报警信号。
ZZ-S-232系列分闸、合闸、电源监视综合控制装置简介
ZZ-S-232系列分闸、合闸、电源监视综合控制装置用于直流或交流操作的各种自动控制线路中,可以直接控制分闸、合闸回路,监视控制电源,并方使调节合闸延时,电源监视断电延时。
ZZ-S-232分闸、合闸、电源监视综合控制装置型号含义



ZZ-S-232分闸、合闸、电源监视综合控制装置特点
ZZ-S-232是替代合闸继电器,分闸继电器,电源监视继电器的综合控制装置,具有下列特点:
a)体积小,功能强,非常适合安装与小型抽屉柜,和其它需要使用继电器的场所;
b)出口控制中间采用进口高性能密封继电器,防潮、防尘、不断线、可靠性高,而且有电源指示及动作指示,电气寿命长,机械寿命长。
ZZ-S-232分闸、合闸、电源监视综合控制装置技术条件
四、技术条件
4.1 环境口基准条件
环境温度:20°C±2°C 相对湿度:45%-75%
大气压力:80Kpa-106Kpa 存储相与运输过程中的极限温度:-25℃~+75℃
使用地点的海拔高度:不高于2500米.
使用环境的周围介质无爆炸危险品;不含有腐蚀性气体;所含导电尘埃的浓度不应使绝缘水平降低到允许值以下.
4.2 使用条件
环境温度: -10°C~+50℃,24h内平均温度不超过35℃.
大气压力:80Kpa-106Kpa
相对湿度:最湿月的月平均最大相对湿度为90%,同时该月的月平均最低温度为25℃,且表面无凝露。最高温度为40℃时,平均最大相对湿度不超过50%.
4.3 继电器额定值 额定电压值:24V、48V、110V、 220V AC DC
4.4 出口中间触点容量:接通DC220V 10A,断开DC220V τ=5mS 50W.
4.5 出口中间动作延时:不大于15mS.
出口中间返回延时:分闸回路不大于70% ,交流不大于75%。
出口中间动作电压:直流不大于70% ,交流不大于75%。
出口中间返回电压不小于20%。
4.6 功耗 最大功耗不大于10W, 一个回路工作时,额定电压下功率不大于5W。
4.7 绝缘电阻 用1000V揺表测量各引出端子对外壳锁紧螺钉之间绝缘电阻不小于1MΩ。
4.8 绝缘耐压 各引出端子外壳锁紧螺钉能承受工频2000V,同组触点之间能承受工频1000V,历时一分钟无击穿。
4.9 电寿命 DC220V,切断电流τ=5mS, 20W, 104次以上。
4.10机械寿命 触点无负荷300万次以上
ZZ-S-232分闸、合闸、电源监视综合控制装置内部接线及外引接线图


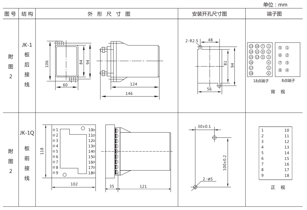
ZZ-S-232分闸、合闸、电源监视综合控制装置外形尺寸及开孔尺寸


矿山冶金
化工、化肥、水泥、纺织
能源、环保
机械电子
火电、水电
造纸、制糖、制药
市政基础建设
原料、钢铁

