工作时间 周一至周六 8:00-17:00
DZ-31B中间继电器用于直流操作的各种保护和自动控制线路中,作为辅助继电器以增加触点数量和触点容量。
DZ-31B中间继电器应用范围
DZ-31B中间继电器用于直流操作的各种保护和自动控制线路中,作为辅助继电器以增加触点数量和触点容量。
DZ-31B是DZ-31B的改进型。该继电器克服了原来DZ-31B继电器采用的绕组线径为0.06-0.07漆包线。在长期运输中,出现的断线缺点,提高了可靠性。其余内部接线、外形尺寸、 接线端子、使用功能等不变。
DZ-31B中间继电器主要技术参数
·额定电压:DC 220V、110V、48V、24V、12V。
·动作值:额定电压值30~70%,,·返回值:不小于额定值的5%。
·动作时间:在额定电压下,动作时间不大于45ms。
·返回时间:不大于60ms.
·功率消耗:不大于7W。
·触点容量:在电压不超过250V,电流不超过5A,时间常数为5±0.75ms的直流有感负荷电路中,产品输出触点的断开容量为50W。输出触点在上述规定的负荷条件下,产品能可靠动作及返回5x104次。输出触点长期允许接通电流为5A。
DZ-31B中间继电器内部接线图及外引接线图(正视图)

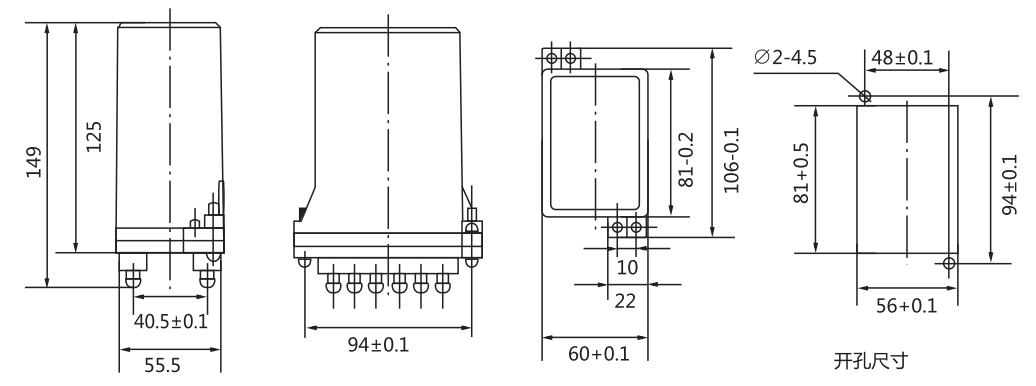
DZ-31B中间继电器外形及开孔尺寸

矿山冶金
化工、化肥、水泥、纺织
能源、环保
机械电子
火电、水电
造纸、制糖、制药
市政基础建设
原料、钢铁
上一篇:DZ-15中间继电器
下一篇:JY-16A中间继电器

