工作时间 周一至周六 8:00-17:00
DZY(J)-201中间继电器用于各种保护和自动控制装置中,以增加保护和控制回路的触点数量和触点容量。
DZY(J)-201中间继电器用途
DZY(J)-201中间继电器用于各种保护和自动控制装置中,以增加保护和控制回路的触点数量和触点容量。
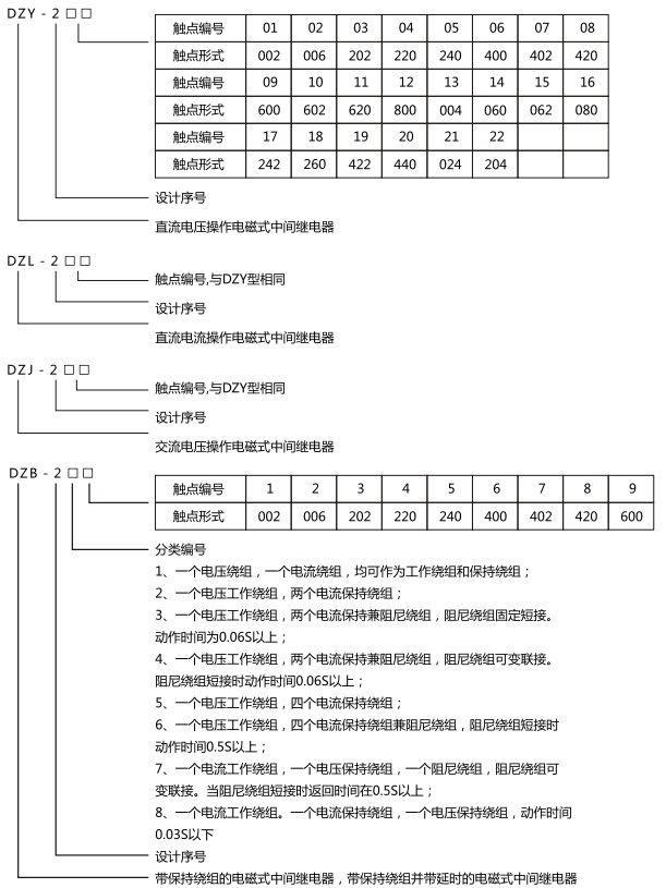
DZY(J)-201中间继电器型号含义及命名


注:本继电器外形结构采用: A11外壳,见附图3。
DZY(J)-201中间继电器结构及原理
本继电器为阀型电磁式继电器。线圈装在“U”形导磁体上, 导磁体上面有一个活动的衔铁, 导磁体两侧装有两排触点弹开。在非动作状态下触点弹片将衔铁向上托起,使衔铁与导磁体之间保持一定间隙。当气隙间的电磁力矩超过反作用力矩时,衔铁被吸向导磁体,同时衔铁压动触点弹片,使常闭触点断开常开触点闭合,完成继电器工作。当电磁力矩减小到一定值时,由于触点弹片的反作用力矩,而使触点与衔铁返回到初始位置,准备下次工作。
2.本继电器的“U”形导磁体采用双铁心结构,即在两个边柱上均可装设线圈。对于DZY、DZL和DZJ型只装一个线圈,而对于DZB, DZS, DZK型可根据需要在另一个铁心上装以保持线圈或延时用阻尼片等。从而使线圈类型大不相同的继电器都通用一个导磁体。
3.根据继电保护的中间继电器常与信号继电器同时使用的情况,本继电器X型产品附有联动的动作信号指示与复归机构,并有一对带机械保持的动合触点以接通远方信号,即完全可以将联动的信号继电器省掉,这对提高保持装置的可靠性,简化接线,降低成本是有一定意义的。
DZY(J)-201中间继电器技术数据
1.继电器的触点形式,绕组类型和额定数据



注: X型除上述主触点外还有一付动合帯机械保持的信号触点。
2.动作值, 保持值
2.1动作电压与保持电压不大于70%额定电压, DZY(J)-201动作电压不大于80%额定电压;动作电压不小于30%额定电压, DZK-200及DZB 243不小于50%额定电压。
2.2动作电压与保持电流不大于80%额定电流。
3.返回值:不小于5%额定值, DZB-200及DZS-200不小于3%额定值。
4.动作时间,返回时间。


6. 热稳定性(环境温度40°C时)
6.1电压绕组长期耐受110%额定电压温升不大于65°C。
6.2电流绕组能受三倍额定电流,历时5s。
7.触点容量

8.耐湿热性能
最高温度为+40°C,按交变湿热试验程序及方法, 试验2周(48h)后,用开路电压为500V的测试仪器测定,继电器各导电电路连在一起对外露的非带电金属部分及外壳之间, 以及线圈电路对触点电路之间的能电阻值不小于4MΩ。
9.绝缘强度
继电器电路与非导电金属部分和外壳及在电气上无联系的各电路之间能耐交流50HZ,电压2kV,历时1min。继电器线圈的绕组间能耐受交流50Hz电压1kV历时1min试验
10.寿命:电寿命后仍能满足4.2-4.4条的要求。机械寿命后经过调整仍能满足4.2-4.4条的要求。

11.线圈电阻值
11.1 DZY(J)-201直流中间继电器








DZY(J)-201中间继电器外形结构及开孔尺寸图

矿山冶金
化工、化肥、水泥、纺织
能源、环保
机械电子
火电、水电
造纸、制糖、制药
市政基础建设
原料、钢铁
上一篇:JY-16A中间继电器
下一篇:DZ-431中间继电器

