工作时间 周一至周六 8:00-17:00
JZ-GY(J)-330端子排静态中间继电器用于各种保护和自动控制线路中,以增加保护和控制回路的触点数量和触点容量。JZ-GY(J)-330端子排静态中间继电器由电子元器件和精密小型继电器等构成, 是电力保护中间继电器更新换代首选产品。
JZ-GY(J)-330端子排静态中间继电器概述
JZ-GY(J)-330端子排静态中间继电器用于各种保护和自动控制线路中,以增加保护和控制回路的触点数量和触点容量。JZ-GY(J)-330端子排静态中间继电器由电子元器件和精密小型继电器等构成, 是电力保护中间继电器更新换代首选产品,继电器有以下特点:
1、本继电器采用线圈电压较低的多个优质密封小型继电器组合而成,防潮、防尘、不断线,可靠性高,克服了电磁型中间继电器导线过细易断线的缺点。
2、功耗小,温升低,不需外附大功率电阻, 35mm卡轨安装、接线方便。
3、继电器触点容量大,工作寿命长。
4、继电器动作后有发光管指示,便于现场观察。
JZ-GY(J)-330端子排静态中间继电器型号分类及含义

JZ-GY(J)-330端子排静态中间继电器技术要求
1、额定值:额定电压DC/AC48V, 110V, 220V, AC380V;
2、动作值:动作电压直流应不大于额定电压70% ,交流应不大于额定电压75% ;
3、返回值:返回电压应不小于10%额定电压;
4、动作时间和返回时间大不于20ms;
5、触点容量:在电压不超过250V,电流不超过1A,时间常数为5ms±0.75ms直流有感负荷电路中,断开容量为50W;在电压不超过250V,电流不超过5A,功率因数为cosΦ=0.4±0.1的交流电路中,断开容量为500VA。输出触点在上述规定的负荷条件下,产品能可靠动作及返回5x104次。输出触点长期允许接通电流为5A;
6、功率消耗:在额定电压不大于5W/5VA;
7、绝缘耐压:继电器所有电路对外壳及非带电金属部分,以及在电气上无联系的各电路之间耐受交流50HZ,电压KV历时1分钟试验无击穿。
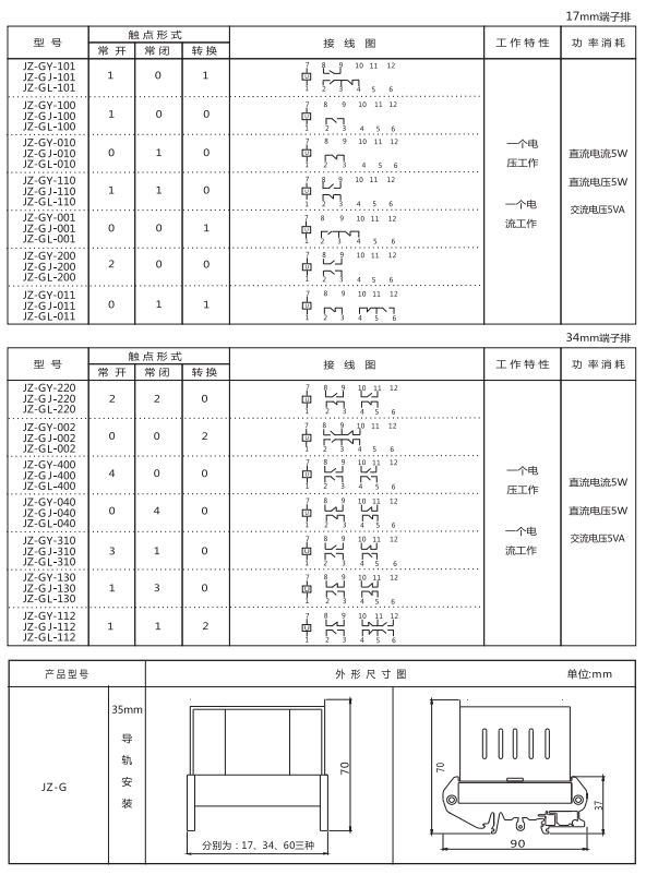
JZ-GY(J)-330端子排静态中间继电器参数及内部端子外引接线图


矿山冶金
化工、化肥、水泥、纺织
能源、环保
机械电子
火电、水电
造纸、制糖、制药
市政基础建设
原料、钢铁
上一篇:JZG-44卡轨式静态中间继电器
下一篇:JZS-G-21端子排静态延时中间继电器

