工作时间 周一至周六 8:00-17:00
DZB-12BG带保持中间继电器用于直流操作的各种保护和自动控制线路中 ,作为辅助继电器以增加触点数量和触点容量。
DZB-12BG带保持中间继电器应用范围
DZB-12BG带保持中间继电器用于直流操作的各种保护和自动控制线路中 ,作为辅助继电器以增加触点数量和触点容量。
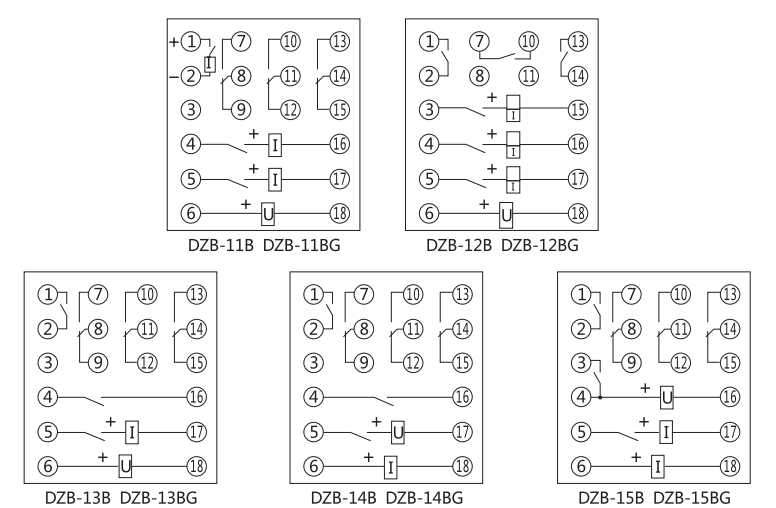
DZB-12BG带保持中间继电器是DZB-10B的改进型。该继电器克服了原来DZB-10B继电器采用的绕组线径为0.06~0.07委包线。在长期运输中,出现的断线缺点,提高了可靠性。其余内部接线、外形尺寸、 接线端子、使用功能等不变。
DZB-11B、12B、13B为电压启动,电流保持的中间继电器; DZB-12BG为电流启动、电压保持的中间继电器; DZB-12BG为电流或电压工作、电流保持或电压保持的中间继电器。
DZB-12BG带保持中间继电器主要技术参数
额定电压:DC 220V、110V、48V、24V。
额定电流:0.25A、 0.5A、lA、2A、4A、8A。
动作值:动作电压为额定电压值的30~70% ;动作电流不大于80%的额定电流。
保持值: 保持电压不大于70%额定电压; 保持电流不大于80%额定电流。
返回值:不小于额定值的5%。
动作时间:在额定电压下,动作时间不大于50ms。
返回时间:不大于60ms。
功率消耗:不大于7W。
触点容量:在电压不超过250V,电流不超过5A,时间常数为5±0.75ms的直流有感负荷电路中,产品输出触点的断开容量为50W。输出触点在上述规定的负荷条件下,产品能可靠动作及返回5x104次。 输出触电长期允许接通电流为5A。
DZB-12BG带保持中间继电器内部接线图及外引接线图(正视图)

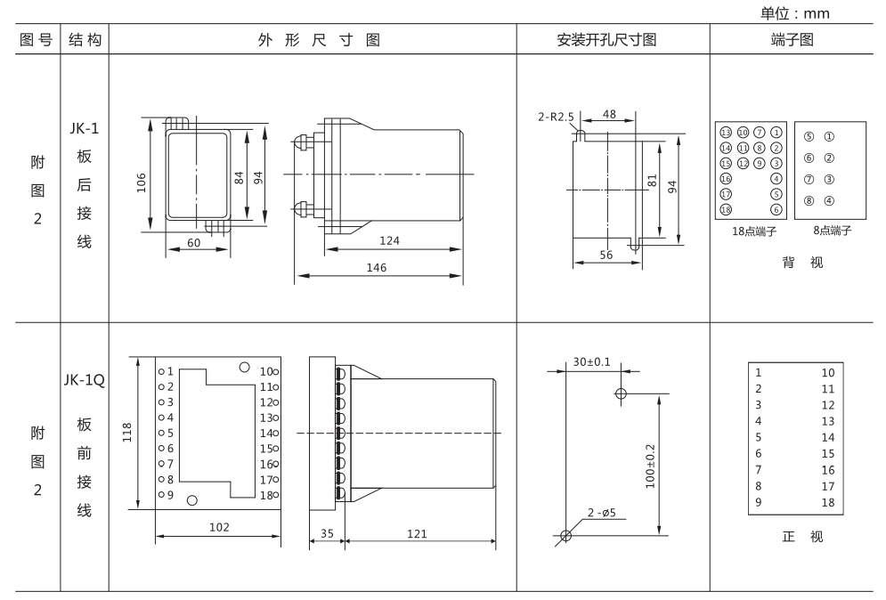
DZB-11B带保持中间继电器外形及开孔尺寸

矿山冶金
化工、化肥、水泥、纺织
能源、环保
机械电子
火电、水电
造纸、制糖、制药
市政基础建设
原料、钢铁
上一篇:JZY(J)-210X静态中间继电器
下一篇:JZY(J)-210静态中间继电器

