工作时间 周一至周六 8:00-17:00
DZS-127延时中间继电器作为辅助继电器,用于直流操作的保护回路中,以增加主保护继电器的触点数量或触点容量。
DZS-127延时中间继电器应用范围
DZS-100继电器作为辅助继电器,用于直流操作的保护回路中,以增加主保护继电器的触点数量或触点容量。
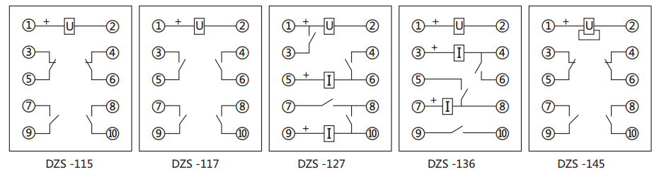
DZS-115、DZS-117为延时动作继电器;DZS-127、DZS-127型为延时电压动作和电流保持继电器;DZS-127型为延时返回继电器。
DZS-115、DZS-117只有一个电压工作绕组;DZS-127、DZS-127型只有一个电压工作绕组和两个电流保持绕组。
DZS-127延时中间继电器主要技术数据
●动作值:动作电压不大于30~70%额定值;保持电流不大于80%额定电流。
●动作时间:不小于0.06s(DZS-127型除外)。
●返回时间:DZS-127在额定电压下,通电时间不小于0.5s,然后切断电源,继电器的返回时间不小于0.8s;其它型继电器切断电源后立即
返回。
●触点容量:在电压不超过250V,电流不超过5A,时间常数为5±0.75ms的直流有感负荷电路中,产品输出触点的断开容量为50W。输出触点在上述规定的负荷条件下,产品能可靠动作及返回5×104次。输出触点长期允许接通电流为5A。
●介质强度:产品各导电端子连在一起,对外露的非带电金属部分或外壳之间,能承受2000V(有效值)50Hz的交流电压历时1分钟试验而无绝缘击穿或闪络现象。

DZS-127延时中间继电器内部接线图及外引接线图

矿山冶金
化工、化肥、水泥、纺织
能源、环保
机械电子
火电、水电
造纸、制糖、制药
市政基础建设
原料、钢铁
上一篇:JZY(J)-417静态中间继电器
下一篇:JZY(J)-418静态中间继电器

