工作时间 周一至周六 8:00-17:00
ZJJ-1B型直流绝缘监视继电器 ,监视直流母线的绝缘情况,用于当母线对地绝缘降低到一定值时,可预发报警信号。
ZJJ-1B直流绝缘监视继电器用途
ZJJ-1B型直流绝缘监视继电器 ,监视直流母线的绝缘情况,用于当母线对地绝缘降低到一定值时,可预发报警信号。
ZJJ-1B直流绝缘监视继电器工作原理
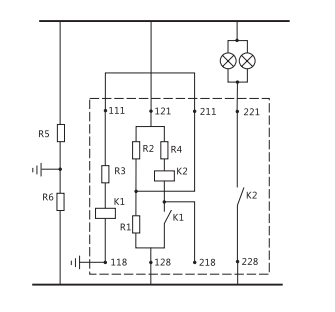
R1 ,R2( R1=R2 )绝为桥臂平衡电阻, R5 ,R6系直流母线对地绝缘电阻,灵敏元件K1跨接在地和平衡电阻之间。正常时,电桥平衡,灵敏元件绕组无电流通过。在一侧绝线电阻下降时,便有一不平衡电流通过灵敏元件绕组,当不平衡电流达到一定值时动作,再由K1触点接通K2绕组,随即继电器发出报警信号。

ZJJ-1B直流绝缘监视继电器技术要求
1、技术数据见表

2、如有特殊要求,继电器可满足以下数据
A、返回系数不小于0.8;
b、触点断开容量为DC250V/1A/100W;
c、触点最大接通电流为5A;
d、功率消耗不大于3W。
ZJJ-1B直流绝缘监视继电器外形结构及安装开孔尺寸

矿山冶金
化工、化肥、水泥、纺织
能源、环保
机械电子
火电、水电
造纸、制糖、制药
市政基础建设
原料、钢铁
上一篇:JPB-B数字式频率继电器
下一篇:ZSX-3水位信号装置

