工作时间 周一至周六 8:00-17:00
ZSX-3水位信号装置用途
ZSX-3水位信号装置用于水轮合发电机组自动化系统中,作为反应水位变化的信号元件。
ZSX-3水位信号装置工作原理
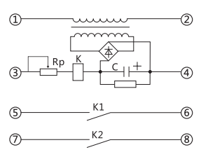
装置由变压器、整流桥、小型密封电磁继电器、电容器、电位器等组成。原理接线图见图1。
装置端子①、②接交流220V、50Hz电源,当水位上升到使③、④(接水位电极)形成通路时电磁继电器K动作 ,动合触点闭合 ,装置发出信号。

ZSX-3水位信号装置技术要求
1、额定电压:装置的额定电压为交流220V、50Hz。
2、动作值:装置的动作电压不超过85%额定电压。
3、动作时间:在额定电压下,装置动作时间不大于50ms。
4、功率消耗:在额定电压下,功率消耗不大于3VA。
5、线圈温升:当周围环境为40°C时,装置线圈应能长期承受1.1倍额定电压,其温升不超过60°C。
6、触点断开容量:在直流有感(τ=5ms)回路, U≤250V, I≤0.4A为30W。
7、介质强度:装置所有电路对外壳之间及非带电金属部分应能耐受2㎸(有效值) , 50Hz的交流试验电压,历时1min ,而无绝缘击穿或闪络现象 。
8、寿命:机械寿命为104次;电寿命为103次。
ZSX-3水位信号装置调试方法
1、使用前应对装置进行外观检査。
2、将端子①、②接交流220V、50Hz电源,③、④(使用时分别接水位的两极)短接,并把电位器之值置于最大,检査动作电压, 当动作电压不大于85%额定电压时,装置动作。
3、在接入水位电极时,如因水电阻的变化影响动作值时可调整电位器。
ZSX-3水位信号装置外形结构及安装开孔尺寸

矿山冶金
化工、化肥、水泥、纺织
能源、环保
机械电子
火电、水电
造纸、制糖、制药
市政基础建设
原料、钢铁
上一篇:ZJJ-1B直流绝缘监视继电器
下一篇:没有了!

