工作时间 周一至周六 8:00-17:00
BS-7B时间继电器用于电力系统二次回路继电保护及自动控制回路中作为延时装置,使被控元件得到所需延时。
BS-7B时间继电器应用范围
BS-7B集成电路时间继电器用于电力系统二次回路继电保护及自动控制回路中作为延时装置,使被控元件得到所需延时。
BS-7B时间继电器主要技术数据
·额定电压:直流220、110、48V
·延时整定范围: 0.1~99.9s, 1~999M。
·触点形式:一转换。
·变差:在额定电压商温度为20±2°C时任意整定点的10次测量的实际动作作值中最大值与最小值之差不大于10次平均值的1% 。
·功率消耗:不大于6W。
·触点容量:在电压不超过250V,电流不超过5A,时间常数为5±0.75ms的直流有感负荷电路中,产品输出触点的断开容量为50W。输出触点在上述规定的负荷条件下.产品能可前作及返回5x104次。输出触点长期允许接通电流为5A。
·介质强度:产品各导电端子连在一起 ,对外露的非带电金属部分或外壳之间,能承受2000V(有效値)50Hz的交流电压历时1分钟试验而无绝缘击穿或闪络现象。
BS-7B时间继电器内部接线及外引接线图(背视图)

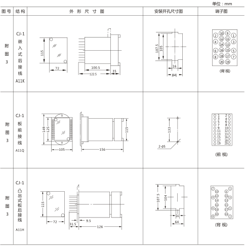
BS-7B时间继电器外形及开孔尺寸

矿山冶金
化工、化肥、水泥、纺织
能源、环保
机械电子
火电、水电
造纸、制糖、制药
市政基础建设
原料、钢铁
上一篇:BS-30时间继电器
下一篇:DS-111时间继电器

