工作时间 周一至周六 8:00-17:00
DS-111时间继电器用于各种保护和自动控制线路中,使被控制元件的动作得到可调延时。继电器具有一付瞬时转换蝕点和一付延时动合主触点,对于DS-114、115、116、124、125、126型继电器多一付延时滑动主触点。型号末端帯℃"型属长期工作,其线圈能长期耐受110%额碇电压(电压应加在端子①、⑦上) ,其它型的继电器线圈耐受110%额碇电压历时2min。
DS-111时间继电器应用范围
DS-111时间继电器用于各种保护和自动控制线路中,使被控制元件的动作得到可调延时。继电器具有一付瞬时转换蝕点和一付延时动合主触点,对于DS-114、115、116、124、125、126型继电器多一付延时滑动主触点。型号末端带“C”型属长期工作,其线圈能长期耐受110%额碇电压(电压应加在端子①、⑦上) ,其它型的继电器线圈耐受110%额定电压历时2min。
DS-111时间继电器主要技术数据

·动作值:直流继电器不大于70%额定值;交流继电器不大于85%额定值。
·返回值:不小于5%额定值。
·触点容量:在电压不超过250V,电流不超过5A,时间常数为5±0.75ms的直流有感负荷电路中,产品输出触点的断开容量为50W。
·输出触点:在上述规定的负荷条件下,产品能可靠动作及返回5x104次。输出触点长期允许接通电流为5A。
·介质强度:产品各导电端子连在一起,对外露的非带电金属部分或外壳之间,能承受2000V(有效值)50Hz的交流电压历时1分钟试验而无绝缘击穿或闪络现象。
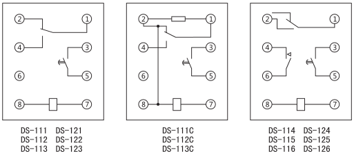
DS-111时间继电器内部接线及外引接线图(背视图)

DS-111时间继电器外形及开孔尺寸

矿山冶金
化工、化肥、水泥、纺织
能源、环保
机械电子
火电、水电
造纸、制糖、制药
市政基础建设
原料、钢铁
上一篇:BS-7B时间继电器
下一篇:DS-21时间继电器

