工作时间 周一至周六 8:00-17:00
DS-21时间继电器作为辅助元件用于各种保护和自动控制线路中,使被控元件的动作得到可调节的延时。
DS-21时间继电器应用范围
DS-21时间继电器作为辅助元件用于各种保护和自动控制线路中,使被控元件的动作得到可调节的延时。
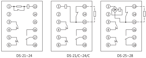
继电器DS-2l~24是短时带电的时间继电器;
DS-21/C~24/C是长期帯电的时间继电器(带外附电阻) ;
DS-25~28是交流时间继电器。该继电器具有一付瞬动转换触点,一付滑动延时主触点和一付终止延时主触点。
DS-21时间继电器主要技术参数

·动作值: DS-21~24不大于70%额定电压; DS-21C~24C不大于75%额定电压; DS-25~28不大于85%额定电压。
·返回值:不小于5%额定电压。
·触点容量:在电压不超过250V,电流不超过5A,时间常数为5±0.75ms的直流有感负荷电路中,产品输出触点的断开容量为50W。输出触点在上述规定的负荷条件下,产品能可靠动作及返回5x104次。输出触点长期允许接通电流为5A。
·介质强度:产品各导电端子连在一起,对外露的非带电金属部分或外壳之间,能承受2000V(有效值)50Hz的交流电压历时1分钟试验而无绝缘击穿或闪络现象。
·外附电阻对照表

DS-21时间继电器内部接线及外引接线图(正视图)

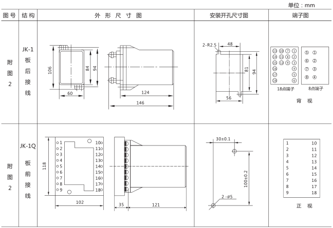
DS-21时间继电器外形及开孔尺寸

矿山冶金
化工、化肥、水泥、纺织
能源、环保
机械电子
火电、水电
造纸、制糖、制药
市政基础建设
原料、钢铁
上一篇:DS-111时间继电器
下一篇:DSJ-11断电延时时间继电器

