工作时间 周一至周六 8:00-17:00
SS-94B/1-2时间继电器用于电力系统二次回路的继电保护及自动控制中,作为延时元件,使被控元件达到所需延时 , 以实现保护的选择性配合, 保护电力系统安全可靠运行。
SS-94B/1-2时间继电器概述
SS-94B/1-2时间继电器用于电力系统二次回路的继电保护及自动控制中,作为延时元件,使被控元件达到所需延时 , 以实现保护的选择性配合, 保护电力系统安全可靠运行。
SS-94B/1-2时间继电器结构特点
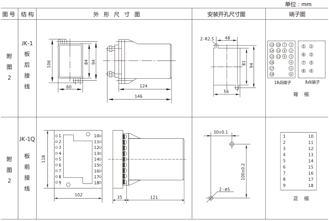
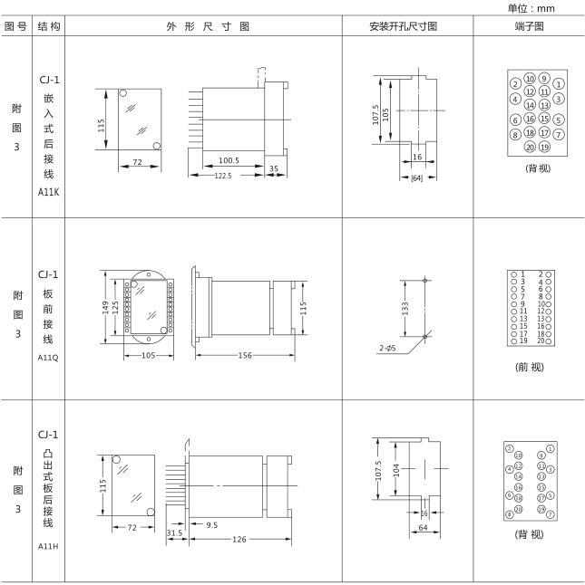
SS-94B/1-2时间继电器采用A11K、
A11H、 A11Q、 JK-1、 JK-1Q壳体,外形尺寸、
安装尺寸见本手册附录。可方便地改变整定值,拔出机芯,可方便地进行维修。整定值采用数码拨盘整定,采用晶体振荡器减小了误差。增加了时间补偿预置电路,对于极短的延时值具有极高的精度。
SS-94B/1-2时间继电器主要技术参数
SS-94B/1-2时间继电器主要技术数据见表。

SS-94B/1-2时间继电器背后端子接线图及外引接线图 (背视图)

SS-94B/1-2时间继电器外观及开孔尺寸


矿山冶金
化工、化肥、水泥、纺织
能源、环保
机械电子
火电、水电
造纸、制糖、制药
市政基础建设
原料、钢铁
上一篇:SJ-11A/139集成电路时间继电器
下一篇:SS-94B/2-1时间继电器

